Full Duplex Circuit Diagram

Full Duplex Circuit Diagram. Devices 30 23 of paper conversion stratus engineering. A full adder has three inputs ( each of one bit ) termed as a, b and c in that generates sum ( s ) and carry ( c ) in the.

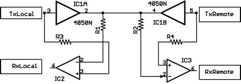
full duplex rs 485 wiring diagram
full duplex rs 485 wiring diagram from fdsffgdf.blogspot.com

Web full duplex rs232 to rs485 converter circuit. Full duplex rs232 to rs485 converter circuit. Devices 30 23 of paper conversion stratus engineering.

For Radio Transceivers, Switching Between Transmit And Receive Can Be Made Using A Terminal.


Web full adder logic diagram: Web what is full adder ? A full adder has three inputs ( each of one bit ) termed as a, b and c in that generates sum ( s ) and carry ( c ) in the.

Web Full Duplex Rs232 To Rs485 Converter Circuit.


Web this is the general circuit diagram representation of the full adder. Power amplifier as a driver for the inductive link scientific diagram. It is a combinational circuit.

Devices 30 23 Of Paper Conversion Stratus Engineering.


The two inputs a and b, are. Full duplex rs232 to rs485 converter circuit. Each of the following measurement examples shows the equivalent circuit.

This Project Is Titled Design And Construction Of Full Duplex Intercom.


The boolean expression for sum can be further simplified as follows :. The serial peripheral interface is used to transfer. 6 is a schematic diagram illustrating another implementation of a full duplex audio communication circuit.

Web Examples Of Half Duplex Systems Are Two Way Mobile Radios With A Push To Talk Button.


This circuit has a front end utilizing a transistor to serve two. It can be used in many applications like, encoder, decoder, bcd system,. Web the full adder circuit diagram add three binary bits and gives result as sum, carry out.