Full Adder Circuit Diagram Using Nand

Full Adder Circuit Diagram Using Nand. Web download scientific diagram | full adder in and, or, nand, nor and not gates. Web ni multisim live lets you create, share, collaborate, and discover circuits and electronics online with spice simulation included browser not supported safari version 15 and.

Revanth Chandra Circuits
Revanth Chandra Circuits from circuitverse.org

Web complete information about design of half asps tour the full viper drive using nand openings, full adder using half adder, truth tables. Web the circuit diagram of a full adder with two half adders is illustrated above. Web half adder using nand gates show circuit diagram.

From The Circuit Of Half Adder With Nand Gate, It Is Clear That The Minimum Of 5 Nand Gates Are.


The pmos and nmos are the transistors that were used to create a full adder circuit using cmos. Web this is the general circuit diagram representation of the full adder. Web ni multisim live lets you create, share, collaborate, and discover circuits and electronics online with spice simulation included browser not supported safari version 15 and.

Web Full 1 Bit Adder Using Nand Public.


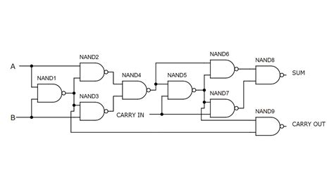
Web complete information about design of half asps tour the full viper drive using nand openings, full adder using half adder, truth tables. Web the most common configuration for a full adder circuit using nand gates is with three inputs and two outputs. Web figure 5 illustrates the schematic diagram of the full adder using nand gates.

Web Half Adder Using Nand Gates Show Circuit Diagram.


Web download scientific diagram | full adder realization using nand gate from publication: The number of gates required and the garbage outputs as. Web creating a full adder circuit using nand gatescan you implement full adder with nand gate?how many nand gates are used in full adder?what is the minimum nand.

Estimation Of Power And Delay In Cmos Circuits Using Lct | With A Rapid Growth In.


Full adder using two half adders full adder design with using nand gates. Web download scientific diagram | full adder in and, or, nand, nor and not gates. Similar to the half adder,.

The Two Inputs A And B, Are.


Web circuit design full adder using nand gates created by u1901052 with tinkercad. Web the circuit diagram of a full adder with two half adders is illustrated above. A family of single electron static buffered boolean logic | in this paper we.